DEDICATED PRESSURE SYSTEMS LTD.

Telephone 01372 803 675
Fax 01372 803 678
Email dps@heatweb.com
 
Internet http://www.heatweb.com

The Institute of Plumbing

R/O Shops, 9-19 Manor Green Road, Epsom, Surrey KT19 8RA
  

Installation Instructions
Stowaway Heat Bank Thermal Store

3302-2  25/04/01

Heat Bank Thermal Store System  
Stowaway advanced F+E  
14 Plate Heat Exchanger (30 ltr/min)  
Indirect  
40mm Foam Insulation  
High duty primary coil  
S-Plan primary controls  
RX1 Programmable Room Thermostat  
All fitted controls are wired  
Manual Fill - No Overflow  
Thermostatic Blending Valve 22mm  
28mm Primaries  
Backup Immersion Heater  
Low Water Level Indicator  
PCB Wiring Centre  
Cased  


1   Integral Expansion Vessel (Unpressurised)
2   Plate Heat Exchanger
3   Heat Exchanger Pump
4   Flow Switch
5   Thermostatic Blending Valve, Mixcall III
6   Manual Air Vent
7   Automatic Air Vent
8   Integral Overflow Chamber
9   Store Filling Point
11  Y-Pattern Strainer (supplied loose)
13  Connection to Expansion Vessel
14  Immersion Heater 3kW Incaloy with Stat
16  Cold Mains In, 22mm
17  Hot Mains Out, 22mm
18  Drain Cock
19  Flow From Boiler 28mm
21  Flow to Primary Coil
22  Return from Primary Coil
23  Flow to Heating 28mm
25  By-Pass Connection 22mm
29  Primary Coil Balancing Valve
33  Danfoss Radio Reciever
35a Two Port Zone Valve - Hot Water 22mm
35b Two Port Zone Valve - Heating 28mm
38  Cylinder Thermostat (with Immersion Pocket)
40  Tight Fitting Lid
42  Wiring Centre
54  Filling Loop (disconnect after use)
55  Water Level Switch
56  Manual Water Level Test and Drain
66  Overfill Drain Cock

 

Unit ID

SC-180-3302-2

Capacity

180

Base Diameter

500

Overall Diameter

580

Height

1400

Contents:
1. Introduction
2. General Requirements
3. Mains Water Supply
4. Connections:
5. Wiring
6. Filling
7. Commissioning
8. Fault Finding
9. Servicing
10. Spares
11. User Instructions
1 Introduction
1.1 A Heat Bank Thermal Store is an Advanced Integrated Thermal Store providing very high flow rates of Mains Pressure Drinkable Hot Water for domestic properties. The Heat Bank Thermal Store stores Heat Energy which can be utilised to provide domestic hot water. This heat energy is retained within the Heat Bank Thermal Store by the use of 'CFC free' foam insulation.
1.2 A plate heat exchanger separates the pressurised mains water from the stored water, while allowing rapid transfer of heat. While the mains water pressure can be anything from 0.5 to 5 bar, the stored water is not pressurised, allowing the Heat Bank Thermal Store to be vented to atmosphere. The mains hot water is not stored and is therefore drinkable, and removes the need for a cold water storage tank. There is no chance of the introduction of Legionnaires' Bacteria into the domestic supply.
1.3 The stored water does not change. The build up of scale within the cylinder is therefore eliminated and extra system protection can be achieved by the addition of inhibitors. If required, anti-freeze may also be added.
1.4 The stored water can be heated to a maximum of 90°C thereby increasing the amount of heat energy available for use, while the use of CFC Free Foam Insulation (to British Standards 699, 1566 & 4735) keeps the heat within the stored water.
1.5 Provision of Domestic Hot Water (diagrammatic).

Using a plate heat exchanger to transfer heat, a method referred to as forced convection, provides heat transfer rates of up to 100kW (340,000 Btu/h). thereby providing mains pressure hot water at up to 30 litresper minute

 

 

 

1.5.1 When a hot water outlet is opened the resulting flow of water is sensed by the Flow Switch, which in turn switches on the Heat Bank Thermal Store Pump.
1.5.2 The Pump draws hot stored water from the top of the Heat Bank Thermal Store and passes it through the Heat Exchanger and back into the bottom of the Heat Bank Thermal Store through a diffuser tube. This prevents turbulence within the unit, thereby increasing efficiency.
1.5.3 As the stored water passes through the Heat Exchanger its heat is rapidly transferred to the Mains Water also running through the Heat Exchanger but separated from the stored water by numerous plates.
1.5.4 When the hot water outlet is closed, the Flow Switch will turn off the Pump, thereby using energy only when required.
1.6 The Heat Bank Thermal Store uses an Indirect Primary Heating Coil to transfer heat to the stored water.
1.7 This Heat Bank Thermal Store unit is manually filled. There is no ball valve to automatically top up the store. This has the advantage of removing the requirement for an overflow.
1.8 The wiring centre on the front of the unit is fitted with a neon warning light that tells the house-holder when to top up the unit with water. If warnings are ingnored, then eventually hot water will start to fail. Hot water will finally be unavailable until the unit is topped-up. Leaving the unit until hot water failure may result is wear to to heat exchanger pump.
2 GENERAL REQUIREMENTS
2.1 Read these instructions in conjunction with those of the primary heating appliance before attempting installation.
2.2 Installation shall be in accordance with the latest editions of :
2.3 BS5449 Forced circulation hot water systems
2.3.1 BS6700 Water services for domestic use
2.3.2 The Model Water Bye-laws, the local Water Undertaking Bye-laws and the I.E.E. Wiring Regulations.
2.4 Installation should only be carried out by suitably qualified installers. There is no requirement for approved training in regard to the installation of pressurised or unvented storage cylinders.
2.5 Do not attempt to lift the unit using the pre-fabricated pipework.
2.6 All pre-made connections should be checked & tightened if required prior to installation.
2.7 Pre-Fitted Pumps may need repositioning by installer and inlet connections made watertight. Ensure that access can be made to the Pump Isolating Valves.
2.8 The domestic hot water operates at mains pressure, therefore all pipework and fittings must be suitable for the maximum pressure and temperature duty. Please check that the maximum supply pressure does not exceed 5 bar, and if necessary a Pressure Reducing Valve should be fitted onto the incoming mains. The Heat Bank Thermal Store remains unpressurized at all times.
2.9 Connections in 22mm to the Heat Bank Thermal Store are provided by metric compression bosses, supplied with nuts and olives for direct connection to pipework. BSP fittings should not be used. Spare Nuts are available upon request.
2.10 The stored water in the Heat Bank Thermal Store must be protected with a suitable chemical scale & corrosion inhibitor. See Section 6.
2.11 The cylinder must be installed to allow access to all fitted components for maintenance purposes. This will include the removal and replacement of the Immersion Heater(s).
2.12 Push Fit Connections
2.13 Certain pipework connections are made using push-fit fittings. A Disconnecting Tool will be required to disconnect push-fit joints. Disconnecting Tools & more information can be obtained via our spares departement.
2.13.1 When connecting to a push-fit fitting:
2.13.1.1 Any soldered joints in adjoining pipework should be made prior to connection to the push-fit fitting.
2.13.1.2 Cut tube square using a rotary pipe cutter - do not use a hacksaw to cut the tube.
2.13.1.3 Check that the end of the tube is free from burrs and sharp edges or damage will occur to the O-Ring in the push-fit fitting.
2.13.1.4 Allow 27mm of pipe for insertion into the fitting plus 10mm of pipe to allow use of a disconnecting tool.
2.13.1.5 Insert the tube through the release collar of the fitting to rest against the grab ring.
2.13.1.6 Push the tube in firmly until it reaches the tube stop with a positive 'click'.
3 COLD MAINS SUPPLY.
3.1 The Cold Mains supply should not exceed 5 bar pressure, or a flow rate of 30 litres per minute.
3.2 IMPORTANT: A Mains Isolating Valve must be fitted onto the incoming mains within the cylinder cupboard within clear view of the house-holder.
3.3 IMPORTANT: A Y-Pattern Strainer (supplied loose) must be fitted onto the incoming mains. The Y-Pattern Strainer should be fitted down-flow of the Isolating Valve in a position to enable servicing.
3.4 In areas of hard water it is recommended that a In-Line Scale Inhibitor be fitted on the incoming mains supply, and installed as per manufacturers instructions.
3.5 In areas where hard water is known to be a problem, it is recommended that an Electronic Scale Inhibitor be fitted on the incoming mains supply. Details available upon request
4 CONNECTIONS TO Heat Bank Thermal Store.
4.1 Cold Mains In.
4.2 Hot Water Out.
4.3 Flow from Boiler.
4.4 Return to Boiler
4.5 Flow to Heating Circuit
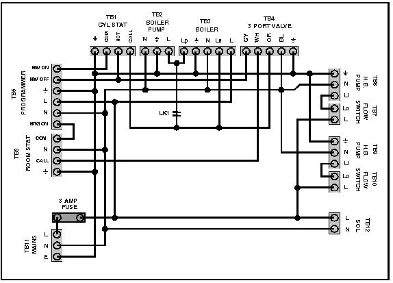
5 WIRING
5.1 All cable should be Heat Resistant, and suitable for 230V 50Hz supply.
5.2 The diagrams below shows the wiring connections to the PCB Printed Circuit Board supplies with the Heat Bank Thermal Store

.

5.3 System Wiring Diagram for S-Plan Primary (2 x Two Port Mid-Position Valves)

5.4 If a Room Thermostat is not to be used then the CALL and COM terminals should be connected.
5.5 Wire the Boiler to the labelled connections in the Wiring Centre.
5.6 Wire the Immersion Heater to a suitable switched supply, fused rated to 16 amp.
5.7 Check the Immersion Heater Thermostat is set to 80°C.
5.8 The connection to the Mains Supply is made to terminal TB11 as standard. A 3 Amp fuse is fitted, with one spare fuse.
5.9 IMPORTANT: If the Mains Supply to the Wiring Centre is to be taken from the Boiler, please use the fused terminal block, TB11, for the Live, Neutral & Earth connections to the boiler - only the Switch Live and Pump Live terminals should be connected to the Boiler terminal block, TB3.
5.10 IMPORTANT: If the Boiler is used to switch the Primary Pump the Link LK1 should be cut. If boiler is NOT used to switch pump, link LK1 is NOT cut and the connection to terminal Lp is omitted.
6 FILLING.
6.1 IMPORTANT: SYSTEMS SHOULD BE FLUSHED AND PROTECTED IN ACCORDANCE WITH BS7593-1992. Please check Boiler and other Primary Equipment's Installation Instructions prior to filling.
6.2 It is important that SENTINEL X100 Inhibitor is used to protect the Heat Bank Thermal Store. 
Use 1 litre per 100 litres of stored water.
Label the unit as protected with the label provided.
Contact Betz Dearborn direct for method statements on 0151 424 5351
Alternatively contact Fernox on 01799 550811.
6.3 IMPORTANT: The Primary System should be fully flushed and an inhibitor, suitable for the purpose, used to protect both the primary and the Heat Bank Thermal Store systems. Betz Dearborn SENTINEL X300 should be used to flush the Primary System prior to filling new systems. Use SENTINEL X400 for existing systems. Please contact Betz Dearborn direct for method statements on 0151 424 5351, or alternatively contact Fernox on 01799 550811.
6.4 Stowaway Heat Bank Thermal Stores are filled using the Filling Loop provided.
6.4.1
Connect a short length of hose from the Manual Water Level Test/ Drain [56] into a bucket. 
Open the Manual Water Level Test/ Drain [56]
Connect the Filling Loop [54] to the Filling Point [9]
Open the Manual Air Vent [6] - during filling, this should be shut if water is expelled.
Slowly Open the Isolating Valve on the Filling Loop, and the unit will start to fill. 
Fill until water is discharged via the Manual Water Level Test/ Drain [56].
6.4.2 Excess water should be drained off via the Manual Water Level Test / Drain.
Any water discharged into the Overflow Chamber [8] should be drained off from drain [66].
Disconnect and cap the Filling Loop [54].
6.5 Check that all air locks in the Primary System are cleared properly, and all Radiators bled.
7 COMMISSIONING.
7.1 Set the Room Thermostat to its maximum setting.
7.2 Set the Boiler Thermostat to maximum.
7.3 Set the Primary Pump to Speed 3.
7.4 Set the Heat Bank Thermal Store Pump to speed 2.
7.5 Follow any specific commissioning instructions given in the Boiler Installation Instructions.
IMPORTANT: ONLY SUITABLY QUALIFIED INSTALLERS CAN COMMISSION A GAS BOILER.
7.6 Turn on the electrical supply.
7.7 Bleed all pumps as described.
7.8 Run through the operation of the system as follows:
7.8.1 Set the programmer to Hot Water ON.
7.8.2 The boiler should fire, and the primary pump turn on. Within a short time (3 minutes) the flow from the boiler should feel hot to the touch. Check that the pipework to the primary coil is also hot. The flow to the central heating should not be hot at this stage.
7.8.3 Set the Programmer to Heating ON. The flow to the heating circuit should now get hot.
7.8.4 Turn off both the Hot Water and Heating on the Programmer. The Boiler should stop firing, and the primary pump stop - on systems where the boiler uses a pump over-run, the pump may not turn off for a few minutes.
7.8.5 Bleed the entire system to remove air.
7.8.6 Turn the Hot Water ON to allow the cylinder to fully recover. As it does, adjust the Balancing Valve on the Flow (or return) to the Primary Coil to obtain a temperature difference of approximately 10°C (or as specified in the Boiler Installation Instructions) between the Boiler Flow & Return.
7.8.7 Once the cylinder has recovered, check that hot water is available at all outlets.
7.8.8 Thermostatic Control of Hot Water Temperature

The unit is fitted with a Mixcall III Thermostatic Blending Valve, to control the hot water temperature, and prevent scalding.  

Control Knob Position Min 1 2 3 4 5 6 7 Max
Outlet Temp. (°C) 27 32 38 44 49 53 58 63 67

The Valve is adjustable from 27°C to 67°C, and has a lockable head, as shown. Typically the valve should be set to obtain a supply temperature of 65°C, to protect against Legionella.  Check the setting of the Thermostatic Blending Valve by opening a hot water outlet to a low flow rate (approximately 10 litres per minute) and measuring the output temperature. The head of the Blending Valve may be locked in position if required.

The graph shows the pressure drop across the valve for various hot water flow rates.

7.9 Set the Room Thermostat as required.
7.10 Should the incoming mains flow rate exceed the maximum transfer rate for the domestic heat exchanger, the hot outlet temperature will drop. This can be corrected by adjustment of the stop cock on the incoming mains to achieve a flow rate off approximately 26 litres/minute.
7.11 Check that a copy of both the Installation / Users Instructions is left with the Heat Bank Thermal Store, or occupier, as required.
8 FAULT FINDING.
8.1 IMPORTANT: If an electrical fault occurs after installation of the appliance, preliminary earth continuity, polarity, and resistance to earth checks should be carried out with a multimeter. On completion of any service/fault-finding task which has required the breaking and remaking of electrical connections, then checks of continuity, polarity, and resistance to earth checks must be repeated.
8.2 Store Not Full - as indicated by red neon on wiring centre Refer to Section 6 Filling.
8.3 No Hot Water / Luke Warm Water
8.3.1 Heat Bank Thermal Store Not Full Refer to Section 6 - Filling.
8.3.2 Electrical Supply to controls not turned on Turn on.
8.3.3 Fuse Blown Check and replace if required. Ensure that a fuse of the correct rating is used (3 Amps to controls).
8.3.4 Cylinder Thermostat not set high enough Check that it is set to at least 75°C
8.3.5 Cylinder Thermostat not in proper contact with cylinder wall Ensure that stat is in contact with the bare copper of the cylinder and strapped securely to the side of the unit.
8.3.6 Heat Exchanger Pump jammed Jump start pump using screw driver on pump spindle. If pump does not turn freely then replace.
IMPORTANT: The unit should be protected with scale / corrosion inhibitor to protect the pump. A build up of material within the pump suggests that inhibitor has not been used, and the system will probably need flushing.
8.3.7 Flow Switch not operating Check as follows
8.3.7.1 Using an electrical tester, check that there is a live to the Flow Switch (brown wire).
8.3.7.2 Ensure that all hot water outlets are closed and that the return from the Flow Switch (blue wire) is not live.
8.3.7.3 Check that the return from the Flow Switch goes live when a hot water outlet is turned on. If not then replace Flow Switch.
8.3.8 Thermostatic Blending Valve setting too low Increase to suit
8.3.9 Setting on Heat Exchanger Pump is too low for required hot water flow rate Increase pump setting or reduce draw off flow rate.
8.3.10 Faulty Immersion Heater Check that heater draws correct current (12.5A / 3KW) using a suitable Ammeter. Replace if required.
8.3.11 Immersion Heater Thermostat set too low Set between 80°C and 85°C
8.3.12 Immersion Heater Overheat Thermostat tripping Reduce setting of Control Thermostat to eliminate nuisance tripping. If this does not help then replace Control Thermostat.
8.3.13 Heat Exchanger blocked Power flush
8.4 Hot water supply too hot.
8.4.1 Thermostatic Blending Valve set too high Reduce setting to provide water at desired temperature.
9 Servicing
9.1 A Tectite disconnecting tool is required for removal and servicing of certain components.
9.2 Please ensure that the mains water and mains electrical supply are isolated prior to commencing and maintenance or replacement of components.
9.3 Routing Maintenance:
9.3.1 Operate appliance and check for correct function.
9.3.2 Clean filter in Y-Pattern Strainer.
9.3.3 Clean filters in Thermostatic Blending Valve (if fitted).
9.3.4 Check that immersion heater thermostats are set to 80°C.
9.3.5 Check for air in Heat Bank Thermal Store Pump
9.3.5.1 Check that immersion heater thermostats are set back to 80°C and covers replaced securely upon completion.
9.3.6 Check presence of label indicating addition of scale inhibitor. Check stored water for correct dosage of inhibitor. Details may be obtained from supplier of inhibitor
9.4 Check the operation of the Primary System as follows.
9.4.1 Check operation of programmer.
9.4.2 Check time settings.
9.4.3 Check heating and hot water, on and off times. Hot water should typically be set for 2 hours before demand periods.
9.4.4 Follow any check listed in the programmer's servicing instructions.
9.4.5 Turn both heating and hot water OFF using the programmer.
9.4.6 Check that the primary pump is off. There may be a delay caused by a pump overrun.
9.4.7 Take a note of the cylinder thermostat setting.
9.4.8 Adjust the cylinder thermostat stat to MINIMUM and turn hot water ON using the programmer.
9.4.9 Check the primary pump is OFF.
9.4.10 Turn up the cylinder stat until it switches. The primary pump should switch on as well as the boiler.
9.4.11 Turn the room stat up to maximum and turn the central heating ON using the programmer.
9.4.12 Check the mid-position valve swings across to mid-position.
9.4.13 Turn the cylinder thermostat to MINIMUM.
9.4.14 Check the mid-position valve swings completely across to heating.
9.4.15 Reset the cylinder stat to the required setting, typically 75°C.
9.4.16 Reset the programmer to original settings.
9.4.17 Reset the room stat as required.
10 Spares
11 Users Instructions
The Heat Bank Thermal Store Unit should be set up by the installer according to the instructions given in the Installation and Commissioning Instructions.
The unit is fitted with a Mixcall III Thermostatic Blending Valve, to control the hot water temperature, and prevent scalding.
Control Knob Position Min 1 2 3 4 5 6 7 Max
Outlet Temp. (°C) 27 32 38 44 49 53 58 63 67
Please not that under certain circumstances, increasing the flow rate of water from a tap or shower may result in the water temperature dropping. Likewise, reducing the flow rate will result in the temperature increasing - the temperature will not increase above the setting of the Thermostatic Blending Valve.
Your Heat Bank Thermal Store Unit may occasionally need topping up with water. The wiring centre on the front of the unit is fitted with a red neon which, when lit, indicates that topping up is required. Please refer to Section 6 - Filling, in the Installation Instructions for further details.