HOME BOOSTER
Silent Low Duty Pressure Boosting

£112.00 + VAT (delivered next-day)

PDF Data Sheet (click Here)

The DPS Home Booster Pump is designed to be fitted in line with the cold or hot water supplies to outlets.  The pump will boost pressures and flow rates to provide more comfortable showers and quicker filling of baths.

The pump is quiet, easy to install and inexpensive.

Connections to the pump are in 1/2" BSP.

The pump is fitted with an internal flow switch that detects when water starts flowing to a hot water outlet and turns the pump on.  Furthermore, there are three modes of operation, selected via a simple switch, that provide for Off, On or Automatic operation.
  

 

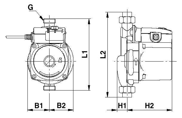
Dimensions:

L1 [mm] 160
L2 [mm] 214
H1 [mm] 23
H2 [mm] 103
B1 [mm] 50
B2 [mm] 54
G 3/4

Selector

Selector in position

Pump operation
I
OFF
Pump is stopped.
II
AUTO
Pump starts and stops automatically with flow.
III
MANUAL
Pump is running continuously. (Pump is running even if tap is closed).

 

 

Electrical Data 1 x 220V

P1 [W] P2 [W] I 1/1 [A]
118 40 0.54

Electrical connection:
Pump is fitted with 1 .5 metres of wire with plug.

Motor Protection:
Impedance protected. Short-circuit-proof. No external motor protection required.

Enclosure Class
IP 42

Liquid Temperature
+2°C to + 70°C

Weights and Volume

Net Weight [kgs] 2.5
Gross Weight [kgs] 2.7
Shipping Volume [m3] 0.003

  

DEDICATED PRESSURE SYSTEMS LTD.
   
Telephone 01372 803 675  Fax 01372 803 678   
Email
dps@heatweb.com  Internet http://www.heatweb.com